fénykép nyílt forrásokból
Az orosz tudósoknak sikerült porózust létrehozni műanyagból és sóból anyag, amely utánozza a csont szerkezetét. Ebben az esetben a szokásos szakácskönyv a só lett a fő segédanyag.
Jelenleg az ultramagas molekulatömegű polietilén már rendelkezik széles körben használják a mesterséges hézagokban, valamint a kerámiában és a fémlemezben fém. Az ilyen típusú műanyag nagy szilárdsággal és sűrűséggel rendelkezik, és ami a legfontosabb – teljesen biztonságos az emberi szövetek számára. ezek az anyagjellemzők ideálisak a készítéshez műcsontok.
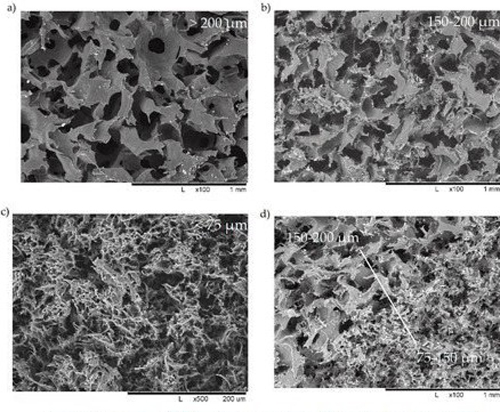
Korábban a létrehozásuk fő problémája a porozitás. A csontoknak mozgásba kell hozniuk a csontsejteket és csíráznak az erek, de összetett szerkezeteket képeznek a műcsont belseje nem volt ilyen egyszerű. Kötetnyomtatáshoz a műanyag hosszú ideig viszkózus marad.
fénykép nyílt forrásokból
Ezt a problémát egy szokatlan technológia segítségével tudtuk megoldani, javasolta a NITU MISiS tudósok. A csont készítésének idején a polimert összekeverjük szokásos asztali sóval, majd utána a megszilárdulási sót vízzel mossuk. A pórusok maradnak a létrehozott termékben a megfelelő méretű.
Az anyag szilárdságát meghatározott terheléseknél tesztelték. és mikroszkóppal is megvizsgáltuk. Mechanikai tulajdonságok a termékek ugyanakkor azonosak voltak, függetlenül a pórus méretétől az anyag kevésbé rugalmas, mint a valódi csont. A következőn a kutatási szakasz anyagkombinációt fog keresni a szükséges paraméterekkel rendelkező műcsont létrehozása.
Az ESOREITER korábban egy térdcsontról beszélt, amelyet figyelembe vették eltűnik az evolúció során egy alapvető szerv által.
Andrey Vetrov
Műanyag idő
